Koło pasowe zębate PMAT36AT5/22 SIT
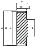
producent SIT wymiary 0 x 33,79 x 30 waga 0,078 kg bo - szerokość paska %5Bmm%5D 25 cecha z piastą cecha koło z obrzeżami cecha koło z nakiełkami cecha na życzenie wykonujemy pełną obróbkę CNC wg wzoru lub rysunku E %5Bmm%5D 38 H %5Bmm%5D 24 liczba zębów %5Bszt.%5D 22 materiał aluminium S %5Bmm%5D 33.79 typ produktu koło pasowe zębate W %5Bmm%5D 30 Y %5Bmm%5D 36 Z - głębokość %5Bmm%5D 6 wykonanie 1 profil AT5 R %5Bmm%5D 35.01

Dove si trova il mio pezzo
Verificate la disponibilità di offerte vicino a voi.
Offerte
1
Informazioni prodotto
Offerte dal produttore del pezzo | |||||
| Nessuna offerta da parte del produttore di ricambi | |||||
Offerte di altri rivenditori (1) | |||||
Koło pasowe zębate PMAT36AT5/22 SIT Nuovo Originale Numero del pezzo: 206035 Produttore del pezzo: SIT Garanzia:24 mesi | Consegna a - Polonia | 10 pz. | 29,43 PLNNetto 36,20 PLNLordo Consegna da: 17,00 PLN 7 Days Safety | ||
Sostituzioni | |||||
| Nessun sostituto | |||||