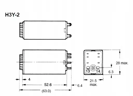
Przekaźnik czasowy Timer OMRON H3Y-2 24V AC 10min.
Przekaźnik czasowy OMRON H3Y-2 / 0-10 min. / 24V AC*** JEDEN Z NAJMNIEJSZYCH PRZEKAŹNIKÓW CZASOWYCH ***( zajmuje w rozdzielni 1 i 1/4 pola - 22mm )Dane techniczne:- zasilanie: 24V AC- przekaźnik: 2 złącza NO+NC ( schemat połączeń - poniżej )- maksymalne obciążenie przekaźnika: 5A/230VAC ( rezystancyjne )- sygnalizacja: 2 diody LED ( zasilanie, praca )- czas wł. / wył.: 10 min.- wymiary: patrz rysunek poniżej****** ZESTAW ZAWIERA GNIAZDO ******NA INNYCH AUKCJACH ZNAJDUJĄ SIĘ PRZEKAŹNIKI OCZASACH :0-1 sek. / 0-5 sek. / 0-10 sek. / 0-30 sek. / 0-60 sek.0-3 min. / 0-10 min. / 0-30 min.Proszę zwrócić szczególną uwagę na napięcie zasilania. Nie można stosować przekaźników AC ( zasilanych napięciem zmiennym ) w urządzeniach zasilanych napięciem stałym ( DC ) i odwrotnie.

Dove si trova il mio pezzo
Verificate la disponibilità di offerte vicino a voi.
Offerte dal produttore del pezzo | |||||
| Nessuna offerta da parte del produttore di ricambi | |||||
Offerte di altri rivenditori (1) | |||||
Przekaźnik czasowy Timer OMRON H3Y-2 24V AC 10min. Nuovo Originale Numero del pezzo: H3Y-2 24V AC 10min. Produttore del pezzo: OMRON Garanzia:Nessuna garanzia | Consegna a - Polonia | 3 pz. | 69,11 PLNNetto 85,01 PLNLordo Consegna da: 16,08 PLN 7 Days Safety | ||
Sostituzioni | |||||
| Nessun sostituto | |||||